Je beoordeling toevoegen
Toegevoegd aan winkelwagen

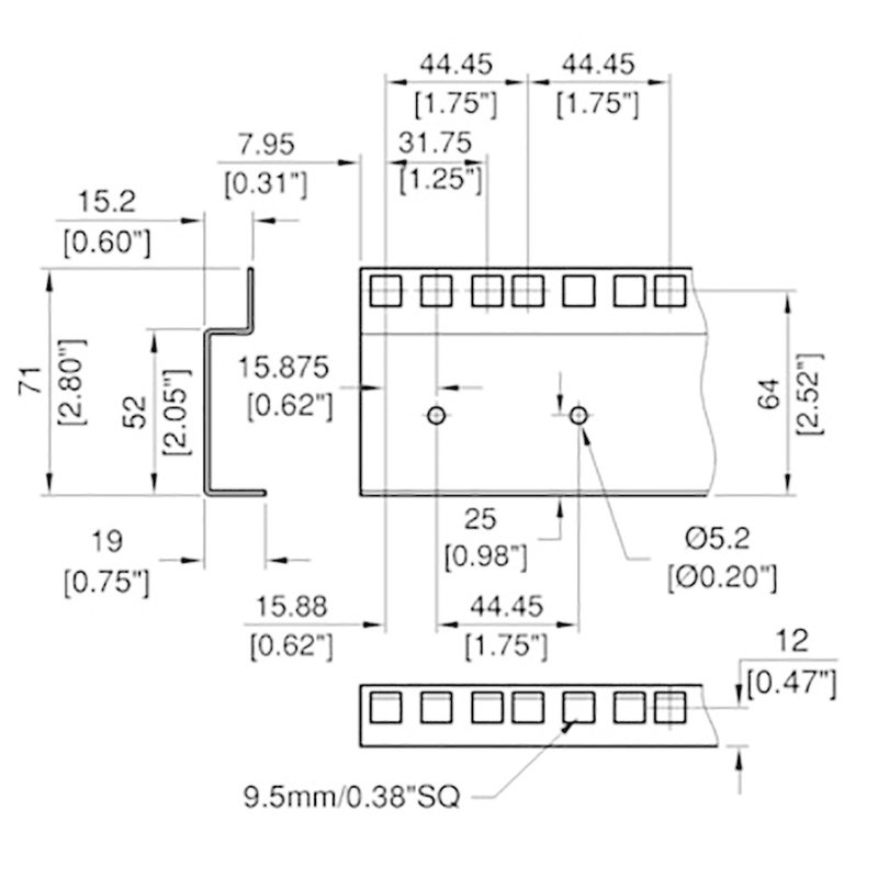
RG-6145-20 dubbel rackprofiel 2mm staal 20HE
€ 20,50
Penn Elcom RG-6145-20 dubbel rackprofiel 2mm staal 20HE
€ 20,50
Op werkdagen voor 18:00u besteld, zelfde dag verzonden
Gratis verzending vanaf 75 euro
| Merk | Penn Elcom |
| EAN | R0883/2MM-20 |
| Artikelcode | R0883/2MM-20 |
De Penn Elcom RG-6145-20 is een dubbel rackprofiel met een hoogte van 20HE. Het is gestanst en gemaakt van 2mm dik staal. Komt van pas als je apparatuur in een 19 inch rack wilt vastzetten.



















