Je beoordeling toevoegen
Toegevoegd aan winkelwagen

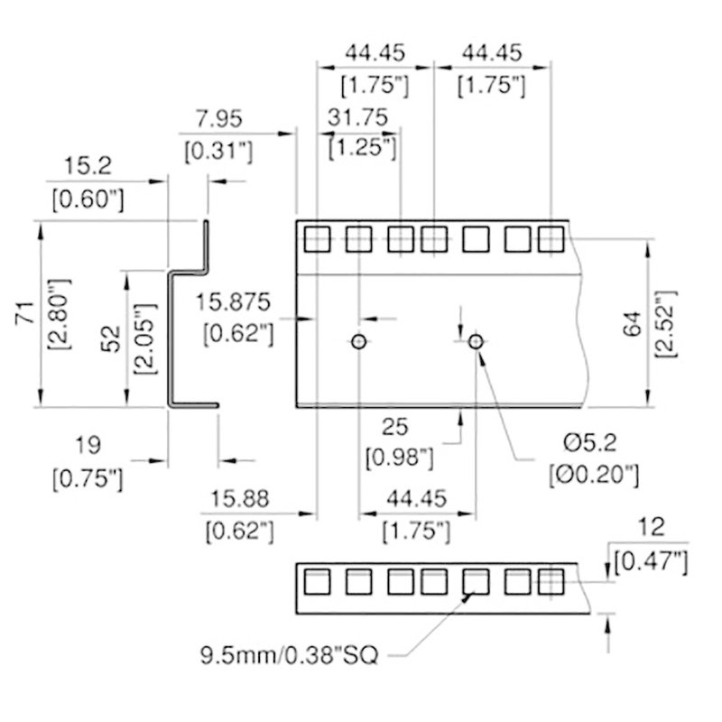
RG-6145-05 dubbel rackprofiel 2mm staal 5HE
€ 6,80
Penn Elcom RG-6145-05 dubbel rackprofiel 2mm staal 5HE
€ 6,80
Op werkdagen voor 21:00u besteld, zelfde dag verzonden
Gratis verzending vanaf 75 euro
| Merk | Penn Elcom |
| EAN | R0883/2MM-05 |
| Artikelcode | R0883/2MM-05 |
De Penn Elcom RG-6145-05 is een dubbel rackprofiel met een hoogte van 5HE. Het is gestanst en gemaakt van 2mm dik staal. Komt van pas als je apparatuur in een 19 inch rack wilt vastzetten.



















